高負荷能力 × 高精度
・自動調心設計 × 最佳配合 透過球狀外徑面軸承與球面內孔軸承座的結合,具備優異的自動調心能力。
・可補償因軸撓曲、偏心或安裝誤差造成的偏差,降低異常負荷,延長軸承使用壽命。
・軸承外徑面與座孔均為高精度加工,確保配合穩定、調心效果更佳。
・高密封防塵防水 外圈密封圈+內圈抛油環形成雙重防護,有效達到: 防止潤滑脂外漏 阻擋灰塵、水氣侵入 密封結構可大幅提升軸承耐用度,尤其適合粉塵多、潮濕或水花環境。
・補油方便、維護簡單 軸承座設有注油孔(可裝油嘴),運轉中也能快速補充潤滑脂。
・在粉塵、水氣、高溫等嚴苛環境下,定期補脂可讓軸承保持最佳潤滑狀態,進一步延長壽命。
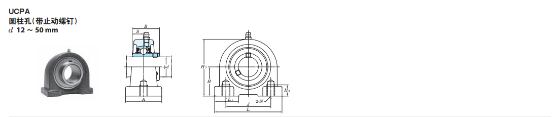
【型號與特色】
可以拆成 「軸承型號 UC」+「座台型號」+「內徑尺寸」+「結構/材質/密封」
依「座台外型」分:最常見 7 大規格
P 型(立式座 / Pillow Block):UCP → 最常見,鎖地面/底板用
F 型(方形法蘭座 / 4孔):UCF → 鎖在側板,四孔固定
FL 型(菱形法蘭座 / 2孔):UCFL → 鎖在側板,兩孔固定
FC 型(圓形法蘭座 / 4孔):UCFC → 圓盤型,外觀漂亮,工業設備常見
FCT 型(圓形法蘭座 / 3孔):UCFCT(或 UCFT) → 三孔圓法蘭
T 型(張緊座 / Take-up):UCT → 用來調整皮帶鬆緊(可滑動)
PA 型(滑塊座 / Cartridge):UCPA → 用於導軌或滑槽式張緊機構

| 軸徑 (d) | 尺寸 (mm) | 組件型號 | 軸承座 | 軸承 | 基本額定負荷 (kN) | 係數 (f0) | 質量 (kg) | ||||||||
|---|---|---|---|---|---|---|---|---|---|---|---|---|---|---|---|
| H | L | A | J (螺紋) | H2 | H3 | L1 | B/S | Cr | C0r | ||||||
| 12 | 30.2 | 76 | 40 | M10×1.5 | 60 | 13 | 27 | 31/12.7 | UCPA201 | PA204 | UC201 | 12.8 | 6.65 | 13.2 | 0.64 |
| 15 | 30.2 | 76 | 40 | M10×1.5 | 60 | 13 | 27 | 31/12.7 | UCPA202 | PA204 | UC202 | 12.8 | 6.65 | 13.2 | 0.62 |
| 17 | 30.2 | 76 | 40 | M10×1.5 | 60 | 13 | 27 | 31/12.7 | UCPA203 | PA204 | UC203 | 12.8 | 6.65 | 13.2 | 0.61 |
| 20 | 30.2 | 76 | 40 | M10×1.5 | 60 | 13 | 27 | 31/12.7 | UCPA204 | PA204 | UC204 | 12.8 | 6.65 | 13.2 | 0.59 |
| 25 | 36.5 | 84 | 45 | M10×1.5 | 71 | 13 | 30 | 34.1/14.3 | UCPA205 | PA205 | UC205 | 14.0 | 7.85 | 13.9 | 0.83 |
| 30 | 42.9 | 94 | 50 | M14×2 | 84 | 18 | 36 | 38.1/15.9 | UCPA206 | PA206 | UC206 | 19.5 | 11.3 | 13.9 | 1.2 |
| 35 | 47.6 | 110 | 55 | M14×2 | 93 | 20 | 41 | 42.9/17.5 | UCPA207 | PA207 | UC207 | 25.7 | 15.4 | 13.9 | 1.7 |
| 40 | 49.2 | 116 | 58 | M14×2 | 98 | 20 | 41 | 49.2/19 | UCPA208 | PA208 | UC208 | 29.1 | 17.8 | 14.0 | 2.0 |
| 45 | 54.2 | 120 | 60 | M14×2 | 106 | 25 | 42 | 49.2/19 | UCPA209 | PA209 | UC209 | 34.1 | 21.3 | 14.0 | 2.2 |
| 50 | 57.2 | 130 | 64 | M16×2 | 113 | 25 | 47 | 51.6/19 | UCPA210 | PA210 | UC210 | 35.1 | 23.3 | 14.4 | 2.8 |